FK 7 - DSB
Article Index
Page 2 of 2
Technical Data Sheet
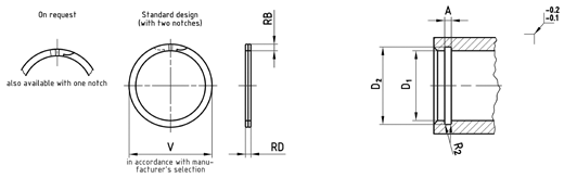
FK 7 DSB Double laminar retaining rings
for bores
|
|
Note: Please refer to the information on pages general, installation, greasing and questionaire.
Technical Data Sheet
|
|
Note: Please refer to the information on pages general, installation, greasing and questionaire.