FK 7 - DSB
Beitragsseiten
Produktbeschreibung
FK 7 DSB Doppel-Lamellen-Sicherungsringe
für Bohrungen
Anwendung FK7 DSB Doppel Sicherungsring Bohrung
Eine wertvolle Ergänzung zu den einfach gewundenen Lamellensicherungsringen FK7 ESB stellen die doppelt gewundenen Lamellensicherungsringe FK7 DSB für Bohrungen dar. Das Einsatzspektrum der doppelt gewundenen Lamellensicherungsringe FK7 DSB für Bohrungen ist praktisch überall da, wo Bauteile sicher axial begrenzt, fixiert und verspannt werden sollen, z.B. im Getriebebau, bei Bau- und Landmaschinen, bei Befestigungselementen im Kraftfahrzeug- und Maschinenbau, in der Wälz- und Gleitlagerindustrie, im Schiffs- und Flugzeugbau, bei Förderbandanlagen, Winden, Seilrollen usw.
Vorteile der doppelt gewundenen Lamellensicherungsringe:
- Rundheit der geschlossenen Windung über 360° gewährleistet festen Kontakt zum Nutgrund und vollen Umfangschluss
- Gleichmäßiges dynamisches Gewicht während der Rotation
- Höhere Axialbelastbarkeit gegenüber der einfach gewundenen Lamellensicherungsringe FK7 ESB
|
|
![]() |
![]() |
![]() |
Axiale Belastung 3):
Um die axiale Belastbarkeit der Sicherungsringe zu ermitteln, müssen Abscherversuche unter Betriebsbedingungen durchgeführt werden. Wenn es während des Betriebes zu unkontrollierbaren axialen Stößen der umliegenden Bauteile gegen die Lamellenringe kommt (Kupplungseffekt) oder extreme Schwingungen der Bauteile vorliegen, kann der sichere Sitz der Sicherungsringe in der Nut nicht mehr gewährleistet werden.
Montagehinweise:
Siehe hier.
Bestellbezeichnung 4):
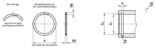
Bei Anfragen und/oder Bestellungen muss die Ringdurchmesserangabe genau mit dem Bohrungsdurchmesser D1 übereinstimmen.
Lauf- und Montageversuche:
Vor einem Serieneinsatz unserer Lamellenringe müssen in jedem Fall Lauf- und Montageversuche unter Betriebsbedingungen durchgeführt werden, um festzustellen, ob die Sicherungsringe den geforderten Belastungen standhalten.
Technisches Datenblatt
FK 7 DSB Doppel-Lamellen-Sicherungsringe
für Bohrungen
|
|
Achtung: Bitte beachten Sie die Hinweise auf den Seiten Allgemeines, Konstruktions- und Montagehinweise, Befettung und im technischen Fragebogen.







