FK 6 - ASD
Beitragsseiten
Seite 2 von 2
Technisches Datenblatt
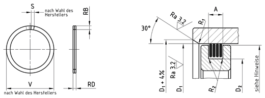
FK 6 ASD Doppel-Lamellen-Dichtungsringe
für Bohrungen
Konstruktionshinweise unbedingt beachten!
Achtung: Bitte beachten Sie die Hinweise auf den Seiten Allgemeines, Konstruktions- und Montagehinweise, Befettung und im technischen Fragebogen.




